어댑터 하우징 제작을 위해 재료, 공구, 부품을 주문을 했고, 주문 품들이 도착하기를 기다리면서, 여전히 뒷꼭지를 땡기는 것이 있었는데…
그게 역시 개발 보드와 관련 된 것입니다. 계속 뒷꽁지를 땡기는 것은..
- 약 5cm x 2cm 의 ARM Cortex M3 개발 보드, 2cm x 3cm 정도의 모터 드라이브 보드를 연결해 써야 하기 때문에 전체적으로 보드 크기가 커질 우려…
- 그럼에도 불구하고 저 두개의 보드만 사용하면, 펌웨어 업그레이드가 거의 불가능. 따로 프로그램 업로드용 보드가 별도로 있어야 함.
특히 펌웨어 업그레이드가 불가하다는 것이 마음에 걸렸습니다. 현재 3 셋트의 어댑터 프로토 타입을 만드려고 하고, 그 중에 2개는 불하를 할 것이기 때문에, 아무리 프로토타입이라고 해도 펌웨어 업그레이드가 안된다는 것이….. 너무 껄적지근 했습니다.
그래서, 역시 PCB를 어댑터용으로 따로 뜨는 것이 좋겠다는 결론을 내려서, 지난 며칠간 공부를 좀 해서 대충 PCB 디자인을 해봤습니다. 이런 것은 또, 처음 해보는 거라….
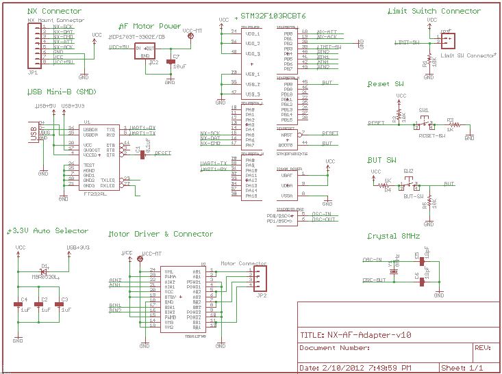
아래 회로도는 대충 생각나는 대로 만들어본 AF 어댑터용 회로도입니다. 이 회로도 저 회로도에서 필요없는 것은 삭제하고, 얼기설기 짜집기를 했는데… 정말 작동할지는 저도… 잘…. ㄷㄷㄷㄷㄷ
전체적인 구성에서 핵심이 되는 것은 아래의 3개의 집적반도체입니다.
- 32bit ARM Cortex M3 기반의 STM32F103RCBT6 마이크로 콘트롤러.
- AF용 스테퍼 모터 구동용 TB6612FNG 듀얼 모터 드라이버
- USB – TTL 변환용 FT233RL
구현할 보드의 특징은…
- 마이크로 콘트롤러에 펌웨어를 올려 어댑터 구동.
- 동시에 스테퍼 모터를 운용하는 모터 드라이버 내장.
- 어댑터 포커스 이동 Limit 스위치 연결 단자. –> 렌즈 초기화시 영점 위치 검출용으로 사용.
- 간단하게 USB 케이블을 통해 펌웨어 업그레이드 지원용 미니 USB 단자. (두개의 리셋 스위치 포함)
- SMD 부품을 사용하여 전체적인 무게와 부피 경감.
- 2층 배선으로 제작 비용을 줄이고, 부피를 줄이는데 촛점.
대충 이렇습니다. 아래의 이미지는 위의 회로도를 이용하여 PCB 보드를 디자인 해봤습니다. 전공자가 아닌데다, 처음 해보는 거라…
나름 크기를 줄이느라 줄였는데…. 정말 맞게 한 것인지는 만들어봐야 알 것 같습니다. 대략 보드의 크기는 38mm x 22mm 정도로 꽤 많이 작아졌습니다.
아래 두 이미지는 보드 디자인을 렌더링해서 좀더 사실에 가깝게 시뮬레이션 해본 것입니다. 먼저 이미지는 윗면, 아래 것은 후면의 패턴입니다.




Very cool. Given that at least the Canon EF & Pentax DA protocols are known, it should be possible to make an AF-enabled adapter, right?
In theory, it is correct. 🙂